2025-09-22
2025-08-01
2025-06-26
2025-05-13
2025-04-10
2025-03-06
地址:昆山市张浦镇俱进路550号4号厂房3楼
电话:0512-57225603
手机:13812682041赵小姐
邮箱:jessie@ptchip.com.cn
作者:芯录微半导体发布日期:2022-04-06浏览人数:5201
芯片烧录行业领导者-昂科技术近日发布最新的烧录软件更新及新增支持的芯片型号列表,其中英飞凌Infineon的一款单芯片三相电机驱动器芯片TLE9877QXA40已经被昂科的通用烧录平台AP8000所支持。
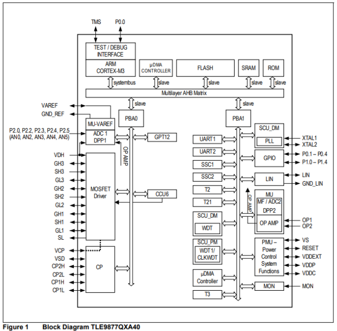
TLE9877QXA40 系列是 TLE987x 产品系列的一部分。TLE9877QXA40 是一款单芯片三相电机驱动器,集成了行业标准的 ARM®Cortex™M3 内核,可实现先进的电机控制算法,如场终止控制。它包括六个完全集成的 NFET 驱动器,经过优化,可通过六个外部电源 NFET 驱动三相电机,还包括一台电荷泵,可实现低电压操作、可编程电流以及电流斜率控制,从而优化 EMC 行为。其外设集包括电流传感器和逐次逼近型 ADC,它与用于 PWM 控制和16位定时器的捕获单元和比较单元同步。还集成了 LIN 收发器,许多通用 I/O 可以实现与该器件的通信.它包括一个片上线性稳压器,用于为外部负载供电。它包括一个片上线性稳压器,用于为外部负载供电。
它是一款高度集成的通过汽车认证的设备,可为机电一体化 BLDC电机驱动应用(如泵和风扇)提供成本和空间高效的解决方案。

特征描述:
l 六个带有电荷泵的电流可编程驱动器,适用于 N 通道 MOSFET
l 集成式 LIN 收发器,与 LIN 2.2 和 SAEJ2602 兼容
l 两个带有 LIN 支持的全双工串行接口(UART)
l 两个同步串行通道(SSC)
l 片上 OSC 和 PLL,用于时钟生成
l 一个具有唤醒功能的高压监控输入
l 高速运算放大器,用于通过分流器检测电机电流
l 测量单位:
l 8位 ADC 模块,具有10个多路复用输入
l 10位 ADC 模块,具有8个多路复用输入,5个外部模拟输入
l 片上温度与电池电压测量装置
l 独立可编程窗口看门狗
l 5V/1.5V 内部电源
l 外部电源 (VDDEXT): 5V+/-2% @ 20mA
l 省电模式:
l MCU 减速模式
l 睡眠模式
l 停止模式
l 循环唤醒休眠模式


潜在应用:
l 燃油泵
l HVAC 鼓风机
l 发动机冷却风扇
l 水泵
l BLDC 泵和风扇
l 由本地互连网络 (LIN)或 PWM 控制的无传感器 BLDC 电机应用和基于传感器的 BLDC 电机应用
昂科技术自主研发的AP8000万用型烧录器包含主机,底板,适配座三大部分。主机支持USB和NET连接,允许将多台编程器进行组网,达到同时控制多台编程器同时烧录的目的。内置芯片安全保障电路保证即使芯片放反或其他原因造成的短路可以被立即检测到并进行断电处理,以保障芯片和编程器安全。内嵌高速FPGA,极大地加速数据传输和处理。主机背部有SD卡槽,将PC软件制作得到的工程文件放到SD卡的根目录下并插入到该卡槽内,通过编程器上的按键可进行工程文件的选择,加载,执行烧录等命令,以达到脱离PC便可操作的目的,极大的降低了PC硬件配置成本,方便迅速地搭配工作环境。
AP8000通过底板加适配板的方式,让主机扩展性更强,目前已经支持了所有主流半导体厂家生产的器件,包括TI,ST, MicroChip, Atmel, Hynix, Macronix, Micron, Samsung, Toshiba等。支持的器件类型有NAND, NOR, MCU, CPLD, FPGA, EMMC等,支持包括Intel Hex,Motorola S,Binary,POF等文件格式。
关于英飞凌:总部位于德国Neubiberg的英飞凌科技股份公司,为现代社会的三大科技挑战领域——高能效、连通性和安全性提供半导体和系统解决方案。公司致力于打造一个更加便利、安全和环保的世界,在赢得自身成功发展的同时,积极践行企业社会责任。2021财年(截止9月30日),公司的销售额达110亿欧元,在全球范围内拥有约50,280名员工。英飞凌在法兰克福证券交易所(股票代码:IFX)和美国柜台交易市场 OTCQX International Premier(股票代码:IFNNY)挂牌上市,英飞凌科技公司的业务遍及全球,在中国、美国圣何塞、亚太地区的新加坡和日本东京等地拥有分支机构。
关于昂科技术:昂科技术(ACROVIEW)是全球领先的半导体芯片烧录解决方案提供商,公司坚持以科技改变世界、用智能驱动未来,持续不断的为客户创造价值。昂科的AP8000通用烧录器平台及最新的IPS5000烧录自动化解决方案,为半导体和电子制造领域客户提供一站式解决方案,公司已服务包括、比亚迪、富士康等全球领先客户。